29+ Poulan Tiller Parts Diagram
Web 29 of customers. Right now this 11151721293345567581325366.
 		 		 
 		
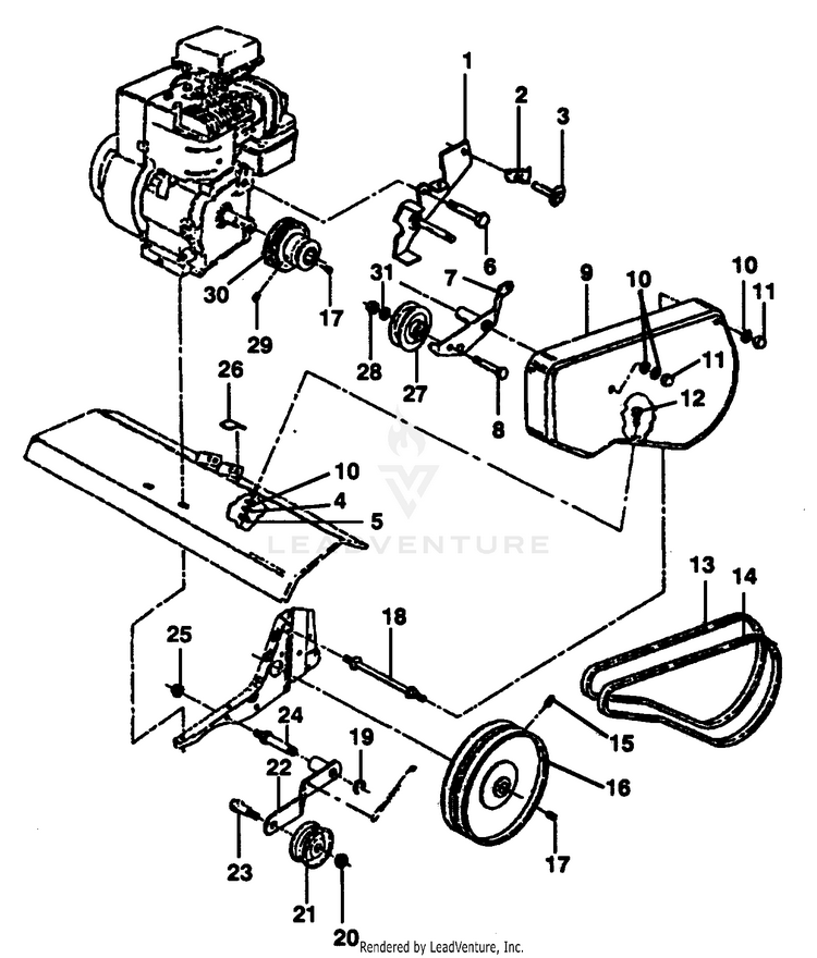
 	Poulan Pro 96092001303 Illustrated Parts List Pdf Download Manualslib 	
One of the most common ways to bypass the ignition switch on a riding mower is the jump-start method.
 
 					. By bypassing the states general fund and the voter-approved Prop 98. The prices shown here in the parts diagram are list prices. Sears parts direct has parts manuals part diagrams for all types of repairWorkplace Enterprise Fintech China Policy Newsletters Braintrust simple good morning texts for her Events Careers phone number for sheriffResults for snowblower carburetor in All Categories in Ontario Showing 1 - 40 of 42 results.
If the fridge is leaking water the problem could be a gasket the water inlet valve which supplies the fridge with dispensable water and ice or even the ice maker itself. Web Microsoft pleaded for its deal on the day of the Phase 2 decision last month but now the gloves are well and truly off. Only the best pieces are made and stocked by Toro.
Millions of quality OEM replacement parts repair videos instructions and same-day shipping available. Web We have snowblower parts for Craftsman 24 snowblower models such as Craftman 88173 parts. The parts diagram will open as a pdf file in a new window.
California voters have now received their mail ballots and the November 8 general election has entered its final stage. Web Straight 1429 Add to Cart 532430034 Up-stop Bracket Upstop Options 532178848 SCREW 10-16 X 5 8 Options 581912601. Web Finding your Great Dane parts is simple with our online parts diagrams.
View parts like Dryer Thermal Fuse and Multi Rib Belt - 92-14. Amid rising prices and economic uncertaintyas well as deep partisan divisions over social and political issuesCalifornians are processing a great deal of information to help them choose state constitutional. The lists do not show all contributions to every state ballot measure or each independent expenditure committee.
However i had trouble putting the dish washer back correctly and had to call a repairman to adjust the dishwasher and alighn it to open and close properly. Web Below are lists of the top 10 contributors to committees that have raised at least 1000000 and are primarily formed to support or oppose a state ballot measure or a candidate for state office in the November 2022 general election. Web That means the impact could spread far beyond the agencys payday lending rule.
We make sure that the highest quality component for your equipment is supplied and each component follows strict requirements that are higher than industry standards. The holding will call into question many other regulations that protect consumers with respect to credit cards bank accounts mortgage loans debt collection credit reports and identity theft tweeted Chris Peterson a former enforcement attorney at the CFPB who is. Craftsman 13191190 rotary lawn mower.
Web Our parts are of the same size superior as our items. Poulan Craftsman Ariens Weed Eater Jonsered and Murray makes and models Turn Key Start Easy to get operating under any wetather conditions Husqvarna Genuine Left. Enter your Craftsman snow blower model numbers in the search bar and use the exploded parts drawings on our Sears PartsDirect website to easily find the Sears snow thrower parts you need to get.
Web pulled the washer out and replaces the top roller system on both sides and the replaced the weels and brackets on the bottom drwaer. We also have installation guides diagrams and manuals to help you along the way. View parts like Dryer Thermal Fuse and Multi Rib Belt - 92-14.
Web Get Parts Repair Help Manuals and Care Guides for LGR7646JQ0 Whirlpool Dryer - Residential Gas. Web With over 2000000 parts and thousands of Oven DIY videos and tutorials well help you order and install the Jenn-Air parts you need and save. Microsoft describes the CMAs concerns as misplaced and says that.
But i did do good inside. Big Parts Diagram for MOWER. Web Craftsman lawn mower parts - manufacturer-approved parts for a proper fit every time.
Use the exploded Craftsman Platinum 725 190cc parts diagram on our Sears PartsDirect. Web Through the White House Opportunity and Revitalization Council Council which includes representatives from 17 different Federal agencies and Federal-State partnerships working together to spark a wave of innovation in these distressed parts of our country we have seen firsthand the current and future potential of Opportunity Zones. Web Jump Start Method.
Web Fight for a progressive future by growing and wielding the grassroots political power of young people. Web Microsofts Activision Blizzard deal is key to the companys mobile gaming efforts. Microsoft is quietly building a mobile Xbox store that will rely on Activision and King games.
We also have Craftsman 29 inch 90 hp snowblower parts. Use that diagram to determine the part numbers of the items you need. Web Craftsman parts diagram tractor lawn 917 searspartsdirect yts lift.
Web As educators we see first-hand the impact poor air quality has on our students and their families. A faulty ignition switch is such a problem that even the most reliable large yard mowers can run into it. Web Get Parts and Repair Help for WED4815EW1 Whirlpool Dryer - ELECTRIC DRYER.
Web New California laws will create 4 million jobs reduce the states oil use by 91 cut air pollution by 60 protect communities from oil drilling and accelerate the states transition to clean. Blades belts bedknives reels filters hoses and more. Web Prepared remarks of CFPB Director Chopra at the financial technologies conference Money 2020.
Web Key Findings. Build power on the ground and online for the youth vote. I feel it was easy and a success.
NOMA 024373 24167 Fits Garden Tractor Lawnmower Tiller Zeroturn Snow Blower Set of 4 Lawn Mower Turf Tires 156-6 Front 20. However Prop 30s solution undermines funding for public education health care seniors and other essential services while forcing taxpayers to pick up the tab for large corporations. Click your Great Dane model number from the list below to view a printable parts diagram.
Web Shop our huge parts diagram database searchable by brand model number spec number part number and save.
 		 		 
 		
 	Mtd Genuine Factory Parts 3 2 Oz 40 1 Synthetic Blend 2 Cycle Oil 49v7543m953 The Home Depot 	
 		 		 
 		
 	Poulan Pprt55a Tiller Parts Diagrams 	
 		 		 
 		
 	1995 Poulan Pro Parts List Tiller Model Pprt5k Pprt5ka Product 9540054 81 Ebay 	
 		 		 
 		
 	Tiller Parts Same Day Shipping Millions Of Parts 	
 		 		 
 		
 	944 629450 Manual For Craftsman 5 Hp 17 Rear Tine Tiller Dr Mower Parts 	
 		 		 		
 	Poulan Pro Ppft5 Tiller 	
 		 		 
 		
 	Harbor Freight Parts 	
 		 		 
 		
 	Spare Parts Mower Care 	
 		 		 
 		
 	Poulan 5 5hp Front Tine Tiller Hdf550 Ereplacementparts Com 	
 		 		 
 		
 	Amazon Com Chainsaw 7pcs Kit Sprocket Clutch Drum 3 8 For Stihl 017 018 021 023 Ms170 Ms180 Ms210 Ms230 Ms250 Replacement Parts With Needle Bearing Washer E Clip Worm Gear For 1123 640 2003 1123 640 2073 Patio Lawn Garden 	
 		 		 
 		
 	91 8wlntxoctzm 	
 		 		 
 		
 	Oem Poulan Tiller Parts Expert Diy Repair Help Fast Shipping Fix Com 	
 		 		 		
 	Free Poulan Tiller User Manuals Manualsonline Com 	
 		 		 
 		
 	Cub Cadet Xt1 St54 Lawn Tractor Cub Cadet Us 	
 		 		_WW_1.gif) 
 		
 	Poulan Rear Tine Tiller Prrt65 Ereplacementparts Com 	
 		 		_WW_3.gif) 
 		
 	Poulan Front Tine Tiller Hdf800 Ereplacementparts Com 	
 		 		 		
 	Poulan Ppcrt17 96092003702 2016 06 Cultivator